一体伺服电机.gif
下 载
热龙驱动一体伺服配置软件与调试方法.rar
热龙驱动一体伺服配置软件.rar
8轴控制器应用程序-AMC.zip
KH02双轴运动控制器.PDF
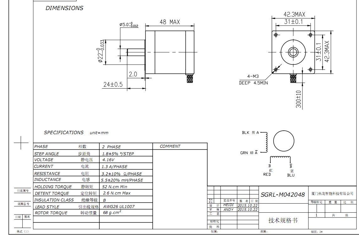
SGRL-M042048图.JPG
六轴控制器USB接口新款6轴控制器编程系统新款.zip
VID_20160530_195638a.rar
SGRL-PMC6控制器与昆仑通态触屏连接.zip
SGRL-PMC3三轴控制器昆仑通态屏系统配置.rar